X
Установка сушильного барабана ДС-158.21.00.000 ДС-117-2К, ДС-117-2Е, ДС-158
Установка сушильного барабана ДС-158.21.00.000 ДС-117-2К, ДС-117-2Е, ДС-158

Установка сушильного барабана ДС-158.21.00.000 ДС-117-2К, ДС-117-2Е, ДС-158

Артикул: ДС-158.21.00.000 Объем: 83.9 м3 Масса: 6450.0 кг

Модельный ряд: установка сушильного барабана на АБЗ ДС-117-2К, ДС-117-2Е, ДС-158

Технические характеристики установки сушильного барабана:

  • Тип – непрерывного действия
  • Вид винтового конвейера – транспортирующая труба
  • Производительность – до 56 т/ч
  • Угол наклона барабана – 3,5°

Паспорт Установки сушильного барабана ДС-158.21.00.000 ЭТ

  1. Основные сведения об изделии и технические данные установки сушильного барабана
    1. Установка сушильного барабана ДС-158.21.00.000
    2. Изготовитель ПО УфаДорМаш, находящийся по адресу Республика Башкортостан, пос. Улукулево Кармаскалинского района, ул. К. Маркса, д. 56. корп. 3.
    3. Установка сушильного барабана предназначена для приемки, сортировки от негабарита, нагрева и перемещения, сушки и разгрузки нагретого каменного материала.
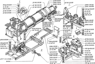
    4. Установки сушильного барабана представляет собой транспортирующую трубу и состоит из рамы, на которую устанавливаются основные устройства: барабан, агрегат топочный, установка приемная, коробка разгрузочная, привод, ролик опорный и упорный. Барабан приводится во вращение от электродвигателя через редуктор, ведущую шестерню и зубчатый венец. Бандажами барабан опирается на опорные ролики. Упорные ролики ограничивают барабан от осевого смещения.
    5. В состав установки приемной входят: коробка приемная закрытая решеткой, бункер с затвором. В приемной коробке установлена решетка, отсеивающая негабаритный материал, который перемещается в бункер, открывающийся затвором при помощи рычага. Габаритный материал через ссыпной лоток приемной установки подается в сушильный барабан. На стенке приемной коробки установлен один термодатчик для контроля температуры отходящих газов.
    6. Разгрузочная коробка предназначена для выгрузки нагретых материалов в элеватор смесительного агрегата. Выгрузка происходит через лоток с установленным термодатчиком, служащим для контроля температуры каменных материалов.
    7. Агрегат топочный предназначен для нагрева воздуха внутри барабана (см. основные данные в документе ДС-158.21.00.000ЭТ).
    8. Применяется установка сушильного барабана преимущественно в технологическом процессе приготовления асфальтобетонной смеси на асфальтно-смесительной установке ДС-158 и других аналогичных установках.
    9. Основные технические данные приведены в таблице 1.
      Таблица №1
      № п/п Наименование параметра и единицы измерения Установка сушильного барабана
      1 Тип Непрерывного действия
      2 Вид винтового конвейера Транспортирующая труба
      3 Производительность до 56* т/ч
      4 Угол наклона барабана 3,50
      5 Сушильный барабан диаметр-5600 мм
      длина-1400 мм
      6 Частота вращения барабана не более 11,0 об/мин
      7 Способ нагрева материала Горячий воздух
      8 Способ сушки Завес (гравитационный)
      9 Контроль температуры материала и воздуха Термодатчик
      10 Максимальная фракция для сушки не более 50 мм
      11 Номинальная мощность привода 11 кВт
      12 Масса 6450 кг
      13 Габаритные размеры не более
      длина - 9147 мм
      ширина - 2035 мм
      высота - 4447 мм
      *зависит от физико-механических свойств смешиваемых материалов (максимальной крупности, гранулометрического состава, влажности)
  2. Комплектность
    В комплект поставки входит:
    1. установка сушильного барабана-1 ед. (см. входящие основные устройства в табл. 2);
    2. комплект эксплуатационной документации, приведенной в таблице 2 - 1 к-т.
      Таблица №2
      № п/п Обозначение Наименование Кол-во
      1 ДС-158.21.01.000 Барабан 1 шт
      2 ДС-158.21.02.000 Установка приемная 1 шт
      3 ДС-158.21.03.000 Коробка разгрузочная 1 шт
      4 ДС-158.21.06.000 Агрегат топочный 1 шт
      5 ДС117-2К.21.07.000 Рама 1 шт
      6 Д588.01.05.000 Ролик опорный 4 шт
      7 Д588.01.06.000 Ролик упорный 2 шт
      8
      Электродвигатель (11 кВт, 1500 об/мин) 1 шт
      9 Ц2У-250-31,5-12 У1 Редуктор ГОСТ20768 1 шт
      10 Пр-44,45-17240 Цепь ГОСТ13568 0,533 м
      11 ТСП-1088-02 Термопреобразователь сопротивления 2 шт
      12 ДС24Б.01.00.005 Кожух 1 шт
      13 Д588Б.11.00.030 Щиток 4 шт
      14 ДС24Б.01.00.040 Щиток 1 шт
      15 ДС-158.21.00.003 Шестерня 1 шт
      16 ДС24Б.01.00.030 Ограждение 1 шт
      17 ДС24Б.01.00.003 Полумуфта редуктора 1 шт
      18 Д588Б.11.00.023 Полумуфта электродвигателя 1 шт
      19 ДС-158.21.00.010 Бандаж 2 шт
      20 ДС-158.21.00.020 Бандаж 2 шт
      21 ДС24Б.01.02.008 Пруток 1 шт
      22 ДС117-2К.21.03.020 Козырек 1 шт
      23 ДС-158.21.00.001 Лента 1 шт
      24 Д588Б.11.00.002 Кронштейн 8 шт
      25 Д588Б.11.00.021 Пластина 12 шт

Похожая продукция

1 2 ... 18 19 20 21 22 23 24 ... 62 63