X

Запасные части для АБЗ

Асфальтобетонный завод – это полный комплекс технологического оборудования, которое обеспечивает законченный цикл производства асфальтной смеси для удовлетворения потребностей строительной отрасли и дорожного хозяйства. Своевременное техническое обслуживание и профессиональный ремонт асфальтобетонных заводов способствуют повышению производительности и обеспечивают бесперебойную работу.

Расширение отечественной сети автодорог непосредственно связано с усовершенствованием производственных мощностей предприятий, которые выпускают асфальтобетонные смеси. От технического уровня асфальтосмесительного оборудования напрямую зависит качество выпускаемой продукции.

Технический прогресс не стоит на месте, технологии постоянно обновляются и совершенствуются. На смену старым методам приходят инновационные методики. Поэтому эффективная модернизация существующего производственного цикла с использованием новых износостойких узлов и современных агрегатов позволит производственному предприятию выйти на качественно новый уровень.

Современный рынок предлагает обширный выбор запчастей для асфальтобетонных заводов (АБЗ). Однако чтобы вложенные средства были потрачены с максимальной выгодой, важно приобретать запасные части для АБЗ только у производителей с хорошей деловой репутацией, которые гарантируют качество выпускаемой продукции. Наше предприятие занимает лидирующие позиции в списке таких организаций.

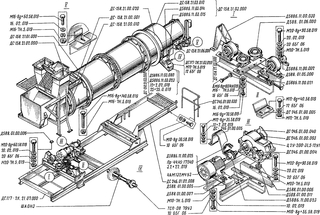
Мы выпускаем более 5000 наименований высококачественных узлов и надежных запчастей для АБЗ марок ДС-158, ДС-185, ДС-117-2К, ДС-117-2Е, ДС-168, КДМ-201 для обеспечения бесперебойной работы асфальтобетонных заводов. Продукция производится с использованием технологичного оборудования из высококачественных материалов и протестирована ОТК. Согласно действующему законодательству она запатентована и полностью соответствует требованиям ГОСТов, международных норм, стандартов, нормативных документов, что подтверждается соответствующими сертификатами качества.

Специально для ремонта и модернизации асфальтосмесительных установок Вы сможете подобрать необходимые запчасти к следующим узлам и агрегатам:

Почему купить запчасти для асфальтовых заводов (АБЗ) проще в нашей компании

  • Наше предприятие уже более 20 лет занимается производством асфальтобетонных заводов, комплектующих узлов и серийных запчастей к ним. За это время нами приобретен бесценный опыт, который позволяет выпускать продукцию на порядок качественнее, чем у предприятий, пришедших в эту сферу сравнительно недавно;
  • Обращаясь к нам, вы можете рассчитывать не только на приобретение в кратчайшие сроки высококачественного оборудования и необходимых для вашего производства комплектующих узлов, но и на квалифицированную консультацию опытных специалистов. Также вы можете заказать услугу по установке комплектующих, запчастей и монтажу агрегатов на АБЗ;
  • Наши специалисты помогут вам оформить заказ и организуют его оперативную доставку к пункту назначения. При этом транспортировка по Уфе и до терминала транспортной компании-перевозчика осуществляется бесплатно;
  • Мы являемся прямыми поставщиками, что позволяет вам купить запчасти для АБЗ без наценки посредников. Для вашего предприятия это выгодное предложение, которое значительно снижает расходы и позволяет получить необходимые комплектующие в максимально сжатые сроки;
  • Мы заинтересованы в надежном, продолжительном партнерстве, поэтому внимательно относимся к производственным проблемам каждого Заказчика. Вы всегда можете рассчитывать на индивидуальный подход в обработке заказа и в оперативном решении возникающих в процессе сотрудничества вопросов.

Вниманию Клиентов, напоминаем, что наше предприятие предлагает к поставке асфальтобетонные заводы собственного производства. Купить абз можно через менеджеров компании.

1 2 ... 8 9 10 11 12 13 14 ... 41 42