Установка сушильного барабана ДС-158.21.00.000 ДС-117-2К, ДС-117-2Е, ДС-158
Артикул: ДС-158.21.00.000
Объем: 83.9 м3
Масса: 6450.0 кг
Модельный ряд: установка сушильного барабана на АБЗ ДС-117-2К, ДС-117-2Е, ДС-158
Технические характеристики установки сушильного барабана:
- Тип – непрерывного действия
- Вид винтового конвейера – транспортирующая труба
- Производительность – до 56 т/ч
- Угол наклона барабана – 3,5°
Паспорт Установки сушильного барабана ДС-158.21.00.000 ЭТ
- Основные сведения об изделии и технические данные установки сушильного барабана
- Установка сушильного барабана ДС-158.21.00.000
- Изготовитель ПО УфаДорМаш, находящийся по адресу Республика Башкортостан, пос. Улукулево Кармаскалинского района, ул. К. Маркса, д. 56. корп. 3.
- Установка сушильного барабана предназначена для приемки, сортировки от негабарита, нагрева и перемещения, сушки и разгрузки нагретого каменного материала.
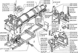
- Установки сушильного барабана представляет собой транспортирующую трубу и состоит из рамы, на которую устанавливаются основные устройства: барабан, агрегат топочный, установка приемная, коробка разгрузочная, привод, ролик опорный и упорный. Барабан приводится во вращение от электродвигателя через редуктор, ведущую шестерню и зубчатый венец. Бандажами барабан опирается на опорные ролики. Упорные ролики ограничивают барабан от осевого смещения.
- В состав установки приемной входят: коробка приемная закрытая решеткой, бункер с затвором. В приемной коробке установлена решетка, отсеивающая негабаритный материал, который перемещается в бункер, открывающийся затвором при помощи рычага. Габаритный материал через ссыпной лоток приемной установки подается в сушильный барабан. На стенке приемной коробки установлен один термодатчик для контроля температуры отходящих газов.
- Разгрузочная коробка предназначена для выгрузки нагретых материалов в элеватор смесительного агрегата. Выгрузка происходит через лоток с установленным термодатчиком, служащим для контроля температуры каменных материалов.
- Агрегат топочный предназначен для нагрева воздуха внутри барабана (см. основные данные в документе ДС-158.21.00.000ЭТ).
- Применяется установка сушильного барабана преимущественно в технологическом процессе приготовления асфальтобетонной смеси на асфальтно-смесительной установке ДС-158 и других аналогичных установках.
- Основные технические данные приведены в таблице 1.
*зависит от физико-механических свойств смешиваемых материалов (максимальной крупности, гранулометрического состава, влажности)Таблица №1 № п/п Наименование параметра и единицы измерения Установка сушильного барабана 1 Тип Непрерывного действия 2 Вид винтового конвейера Транспортирующая труба 3 Производительность до 56* т/ч 4 Угол наклона барабана 3,50 5 Сушильный барабан диаметр-5600 мм
длина-1400 мм6 Частота вращения барабана не более 11,0 об/мин 7 Способ нагрева материала Горячий воздух 8 Способ сушки Завес (гравитационный) 9 Контроль температуры материала и воздуха Термодатчик 10 Максимальная фракция для сушки не более 50 мм 11 Номинальная мощность привода 11 кВт 12 Масса 6450 кг 13 Габаритные размеры не более
длина - 9147 мм
ширина - 2035 мм
высота - 4447 мм
- Комплектность
В комплект поставки входит:- установка сушильного барабана-1 ед. (см. входящие основные устройства в табл. 2);
- комплект эксплуатационной документации, приведенной в таблице 2 - 1 к-т.
Таблица №2 № п/п Обозначение Наименование Кол-во 1 ДС-158.21.01.000 Барабан 1 шт 2 ДС-158.21.02.000 Установка приемная 1 шт 3 ДС-158.21.03.000 Коробка разгрузочная 1 шт 4 ДС-158.21.06.000 Агрегат топочный 1 шт 5 ДС117-2К.21.07.000 Рама 1 шт 6 Д588.01.05.000 Ролик опорный 4 шт 7 Д588.01.06.000 Ролик упорный 2 шт 8 Электродвигатель (11 кВт, 1500 об/мин) 1 шт 9 Ц2У-250-31,5-12 У1 Редуктор ГОСТ20768 1 шт 10 Пр-44,45-17240 Цепь ГОСТ13568 0,533 м 11 ТСП-1088-02 Термопреобразователь сопротивления 2 шт 12 ДС24Б.01.00.005 Кожух 1 шт 13 Д588Б.11.00.030 Щиток 4 шт 14 ДС24Б.01.00.040 Щиток 1 шт 15 ДС-158.21.00.003 Шестерня 1 шт 16 ДС24Б.01.00.030 Ограждение 1 шт 17 ДС24Б.01.00.003 Полумуфта редуктора 1 шт 18 Д588Б.11.00.023 Полумуфта электродвигателя 1 шт 19 ДС-158.21.00.010 Бандаж 2 шт 20 ДС-158.21.00.020 Бандаж 2 шт 21 ДС24Б.01.02.008 Пруток 1 шт 22 ДС117-2К.21.03.020 Козырек 1 шт 23 ДС-158.21.00.001 Лента 1 шт 24 Д588Б.11.00.002 Кронштейн 8 шт 25 Д588Б.11.00.021 Пластина 12 шт
