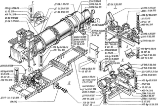
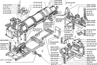
Бункер циклонов ДС-117-2К.20.02.000 ДС-117-2К, ДС-158, ДС-185
Артикул: ДС-117-2К.20.02.000
Объем: 24.0 м3
Масса: 876.0 кг
Модельный ряд: бункер циклонов ДС-117-2К.20.02.000 с разборной рамой на агрегат сушильный АБЗ ДС-117-2К, ДС-158, ДС-185.
Технические характеристики бункера циклонов:
- Габариты (ДхШхВ) - 3330х3078х1890 мм
- Вес - 876 кг
Производитель: завод "УфаДорМаш".


