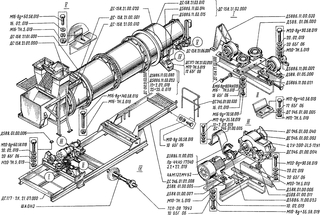
Блок сушильного барабана УДМ-90.31.00.000 ДС-185-80
Артикул: УДМ-90.31.00.000
Объем: 13.5 м3
Масса: 8100.0 кг
Модельный ряд: блок сушильного барабана УДМ-90.31.00.000 для АБЗ ДС-185-80.
Применяется также при модернизации АБЗ марки ДС-117-2К, ДС-158, ДС-185 и многих других моделей асфальтовых заводов.
Технические характеристики блока сушильного барабана:
- Тип агрегата - барабанный, непрерывного действия с противоточной системой сушки;
- Установленная мощность электродвигателей, не более - 70 кВт;
- Размеры сушильного барабана:
- диаметр - 1,4 м
- длина - 5,6 м
- угол наклона - 3.5°;
- Тип привода сушильного барабана - зубчатая передача;
- Диаметр зубчатого венца сушильного барабана, не более - 1720 мм;
- Частота вращения сушильного барабана - 0,18 (11) с-1 (об/мин);
- Тип горелки - блок горелочный КДМ-201;
- Мощность горелки - 7 мВт;
- Минимальная рабочая тепловая мощность горелки, не менее - 1,25 МВт;
- Номинальный расход топлива, не более - 446 кг/ч;
- Минимальный рабочий расход топлива, не более - 112 кг/ч;
- Управление работой горелки - дистанционное и автоматическое;
- * Вид топлива для основной горелки - мазут марок М100 или М40 ГОСТ 10585;
- Вид топлива для запальной горелки - дизельное ДСТУ 3868-1999;
- Емкость топлива вместимость - 7 т;
- Высота дымовой трубы - 17,61 м;
- Диаметр дымовой трубы - 0,8 м.
*Изменяемые параметры технической характеристики газоочистного оборудования зависят от конкретных условий эксплуатации асфальтосмесительной установки, в том числе от количества пылевидных и глинистых частиц в составе исходных материалов.
Конструктивные особенности блока сушильного барабана:
- Предварительный отсев негабаритного каменного материала.
- Высокая экономичность сушки благодаря покрытию корпуса барабана дополнительным теплоизоляционным материалом. Теплоизоляция из минерального волокна сохраняет тепло, снижает потребление топлива, увеличивает производительность сушильного барабана.
- Стойкость приемной и разгрузочной коробки к абразивному износу.
- Отсутствие перегрузок и безопасность эксплуатации за счет установки системы плавного пуска и остановки в приводе сушильного барабана и дымососа.
Производитель: завод "УфаДорМаш".

