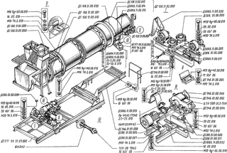
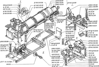
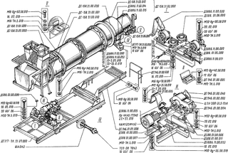
Агрегат сушильный ДС-18561.20.00.000 ДС-117-2К, ДС-117-2Е, ДС-158, ДС-185
Артикул: ДС-18561.20.00.000
Объем: 202.0 м3
Масса: 13750.0 кг
Модельный ряд: агрегат сушильный на АБЗ ДС-117-2К, ДС-117-2Е, ДС-158, ДС-185.
Технические характеристики агрегата сушильного:
- Тип агрегата - барабанный, непрерывного действия с противоточной системой сушки
- Максимальная температура нагрева материала - 458 (185) К (0С)
- Установленная мощность электродвигателей - 85 кВт
- Размеры сушильного барабана:
- диаметр - 1,4 м
- длина - 5,6 м
- угол наклона - 3,50
Производитель: производится предприятием-партнером по заказу завода "УфаДорМаш".
